轉發 | 關于印發廣東省建設工程定額動態調整的通知(第38期)
粵標定函〔2024〕43號
各有關單位:
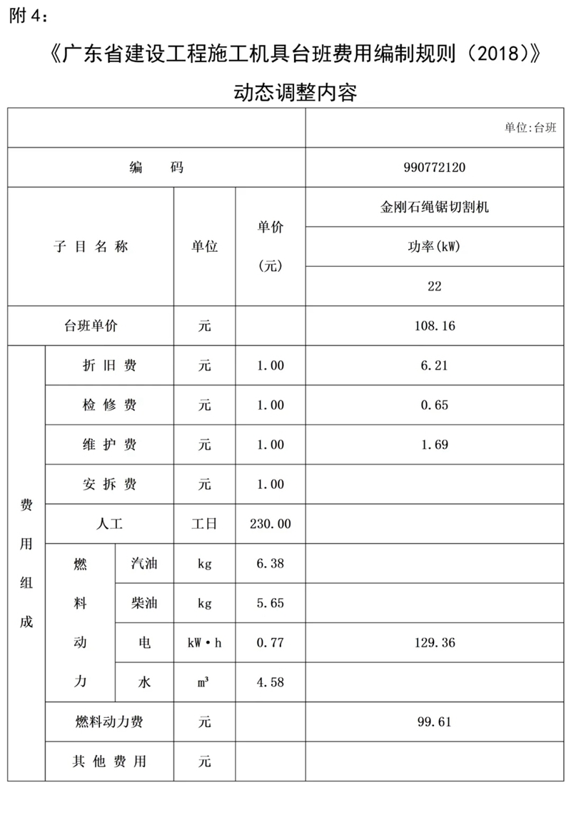
近期,我站組織專家研析了廣東省建設工程定額動態管理系統收集的反饋意見,補充《廣東省建設工程計價依據 (2018)》繩鋸切割鋼筋混凝土定額子目,現印發你們,請遵照執行。
本調整內容與我省現行工程計價依據配套使用,除合同另有約定外,已經合同雙方確認的工程造價成果文件不作調整。執行中遇到的問題,請通過“廣東省工程造價信息化平臺—建設工程定額動態管理系統”及時反饋。
廣東省建設工程標準定額站
2024年8月14日



