關于印發廣東省建設工程定額動態調整的通知(第21期)
粵標定函〔2023〕105號
各有關單位:
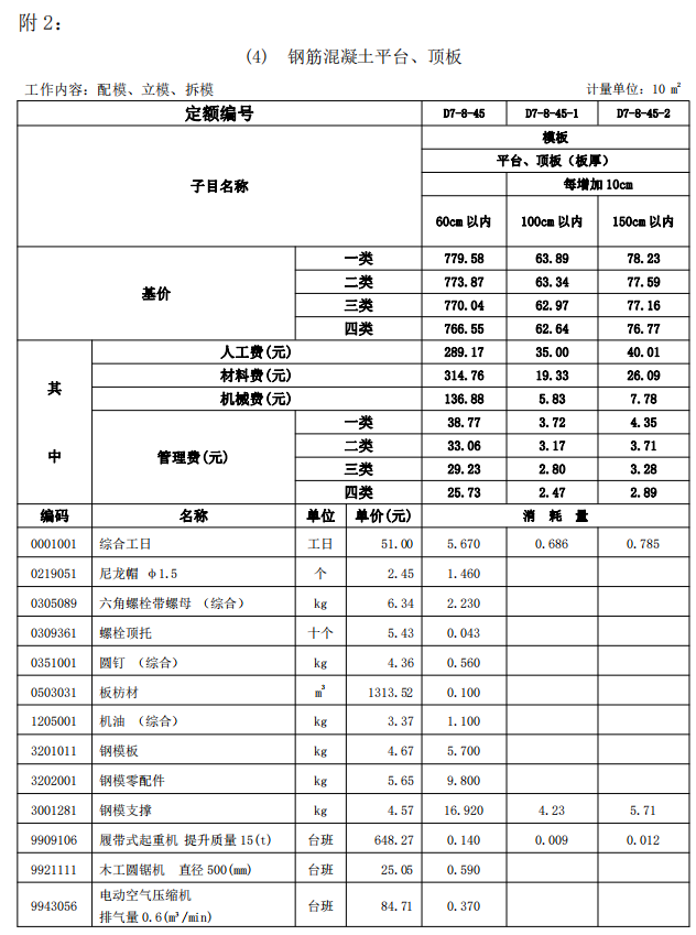
近期,我站組織專家研析了廣東省建設工程定額動態管理系統收集的反饋意見,現將《廣東省市政工程綜合定額 2018》《廣東省市政工程綜合定額 2010》相關調整內容印發給你們,調整內容與我省現行工程計價依據配套使用,除合同另有約定外,已經合同雙方確認的工程造價成果文件不作調整,請遵照執行。執行中遇到的問題,請通過“廣東省工程造價信息化平臺——建設工程定額動態管理系統”及時反映。
附件:廣東省市政工程綜合定額動態調整內容
廣東省建設工程標準定額站
2023年8月21日





